
Savonia-artikkeli Pro: Polttolaitoksille haitallisten alkalikloridien määrittämiseen tarkoitetun mittalaitteen hankinta Varkauden kampuksen energiatutkimuskeskuksen kattilaan
Savonia-artikkeli Pro on kokoelma monialaisen Savonian asiantuntemusta eri aiheista.
This work is licensed under CC BY-SA 4.0
Haastavat polttoainejakeet osana huoltovarmuutta ja vihreää siirtymää
Voimalaitoskattilat ovat hyvin keskeisessä roolissa yhteiskunnan energiahuoltovarmuuden ja uusiutuvan energian tavoitteiden saavuttamisen kannalta. Vihreän siirtymän, huoltovarmuuden, energiaomavaraisuuden sekä alan kovan kilpailun takia voimalaitoksilla on tarve käyttää entistä haastavampia polttoainejakeita, kuten heikkolaatuisempia biomassoja, kierrätyspolttoaineita, teollisuuden sekä yhdyskuntien sivu- ja jätevirtoja.
Energian tuotannon vaihtuessa nopealla tahdilla yhä suuremmin osin bio-, kierrätys- ja jätepohjaisiin polttoaineisiin sekä saman aikaisesti turpeen käytön lopettamisen haasteena on voimalaitoskattiloihin kohdistuvat ongelmat. Kyseisten polttoainejakeiden käyttö tuo mukanaan haasteita, kuten voimalaitoksissa ja kattiloissa esiintyvä korroosio, likaantuminen ja pedin agglomeroituminen, savukaasupäästöt sekä tuhkien korkeat haitta-ainepitoisuudet.
Voimalaitoskattilat osana kiertotalouden ja uusiutuvan energian ratkaisuja – VOKUS-hankkeen yhtenä tarkoituksena on saada uutta tietoa sekä löytää ratkaisuja ja menetelmiä keskeisimpiin polttoaineiden aiheuttamiin kattilaongelmiin.
Epätoivotut ja haitalliset komponentit savukaasuissa
Yksi keskeisempiä ongelmia muuttuvassa polttoon perustuvassa energiantuotannossa on epätoivottujen ja haitallisten komponenttien synty polttoprosessin yhteydessä. Savukaasun sisältämillä epätoivotuilla komponenteilla voi olla suuria vaikutuksia laitoksen ylläpitoon ja sen kustannuksiin, sekä laitoksen elinkaareen. Esimerkiksi polttoaineen sisältämä kloori reagoi tulipesässä muiden alkuaineiden kanssa, jonka seurauksena syntyy klooriyhdisteitä. Savukaasun mukana kulkevat klooriyhdisteet kondensoituvat laitoksen savukaasukanavien sisäpinnoille, joka edesauttaa voimakasta korroosiota.
Hankkeessa on tarkoitus tarkastella alkalikloridien kuten kaliumkloridin (KCL) syntyä. Alkalikloridit tunnetaan edesauttavan kuumakorroosiota, jota esiintyy metallipinnoilla, joissa kulkevan savukaasun lämpötila ylittää 420 °C. Kuumakorroosiota itsessään on hyvinkin vaikeaa ehkäistä, mutta sitä jouduttavien alkalikloridien syntyyn voidaan kuitenkin vaikuttaa ehkäisemällä synteesireaktio alkalimetallien ja kloorin välillä.
Esimerkiksi puuperäisen polttoaineen seassa poltettavan turpeen sisältämä rikki ja alumiinisilikaatit reagoi polttoaineessa esiintyvien alkalimetallien kanssa muodostaen alkaliklorideja haitattomampia yhdisteitä. Tämän on todettu vähentävän korroosiota mm. kattiloissa, tulistimissa ja savukaasukanavissa.
Polttoon perustuvan energiatuotantoon liittyvä päästökauppa, hiilineutraaliustavoitteet, poliittiset päätökset ja turpeen tuotannon ympäristöhaitat ovat vieneet turpeen polton suosion ja kilpailukyvyn. Tämä on lisännyt tarvetta löytää ratkaisuja, joilla voidaan korvata turpeen käyttö polttolaitoksissa.
Alkalikloridien määritys
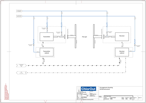
Alkalikloridien määritys savukaasusta vaatii siihen tarkoitetun mittalaitteen. Osana VOKUS-hanketta Varkauden energiatutkimuskeskukseen hankittiin Vattenfallin omistaman Chlor Out AB yhtiön IACM (In-situ Alkali Chloride Monitor) mittalaitteisto. Laitteiston tekniikka perustuu optiseen tunnistamiseen. Lähettimessä on xenon-valo, joka lähettää UV-valoa savukaasun läpi. KCl ja SO2 absorboi osan UV-valosta. Vastakkaisella puolella sijaitseva vastaanotin tunnistaa jäljelle jääneen UV-valon spektrin, jota kautta se pystyy määrittämään savukaasun KCL ja SO2 pitoisuudet.

Kattilan muutokset analysaattoria varten
IACM-laitteisto havaitsee savukaasusta kaasumaisessa olomuodossa olevan kaliumkloridin. Kaasumaiset alkalikloridit esiintyvät korkeissa lämpötiloissa, joten IACM-mittalaite vaati mittauskohdassa savukaasun lämpötilaksi vähintään 700 °C. Tämän takia mittalaite asennettiin energiatutkimuskeskuksessa sijaitsevan kattilan tulipesän yläosaan, jossa voidaan saavuttaa vaadittava lämpötila-alue.
Laitteelle ei ollut valmista paikkaa, joten ennen laitteen asentamista oli kattilaan sekä sen ympäristöön tarve tehdä muutostöitä. Laitteen asentamista ja huoltoa varten kattilan yläosaan teetettiin uusi hoitotaso. Lisäksi kattilan ulkovaipan ja eristekerroksen läpi porattiin reikä lähettimen yhdettä varten. Uuden reiän poraaminen, yhteiden teettäminen sekä mittalaitteen asennus oli tarkkaa työtä, sillä optisen tunnistustekniikan takia lähettimen ja vastaanottimen yhteiden täytyi olla tarkasti kohtisuorassa toisiinsa nähden.

IACM käyttöönotto ja koeajo
Laitteiston käyttöönotto ja testaus kesti kokonaisuudessaan neljä päivää. Kattilan lämmittäminen laitteen vaatimalle lämpötila-alueelle kesti 2–3 päivää. Ensiksi kattila esilämmitettiin kaasupolttimella. Kattilan lämmettyä tarpeeksi aloitimme pelletin polton, jonka jälkeen siirryttiin hakkeen polttoon. Laitteen käyttöönottoon laitetoimittajan puolesta meni 2 työpäivää. Ensimmäisenä päivänä laitetoimittaja kävi asennuksen läpi ja tekivät tarvittavat sähkökytkennät.
Toisena päivänä suoritimme laitteen käyttöönoton ja testiajot, jonka aikana kattilan polttoaineena käytettiin kaurankuoripellettiä, sen korkean alkalimetallipitoisuuden takia. Lisäksi kaurankuoripelletin sekaan sekoitettiin PVC-jauhetta, jolla varmistettiin polttoaineen korkea klooripitoisuus. Kaurankuoripelletin sisältämä alkalimetalli kalium ja PVC-jauheen sisältämä kloori reagoi tulipesässä muodostaen kaliumkloridia (KCL). KCL-pitoisuuden vaihtelua seurattiin mittalaitteen näytöltä. Hetkittäin kaliumkloridia syntyi jopa niin paljon, että se ylitti mittalaitteen mittausalueen. Mittalaitteistoon syötettiin kalibrointispektrit, vasteajat ynnä muut tarvittavat tiedot. Muutaman testaussarjan jälkeen laitteen toimittaja oli tyytyväinen laitteen toimintaan ja totesi sen olevan käyttökunnossa.
IACM käyttö jatkossa ja tulevaisuuden näkymät
Mittalaitteeseen toimitetaan vielä lisäosana kaasumaisen KOH:n (Kaliumhydroksidin) mittauksen mahdollistava vastaanotin. Uusi vastaanotin asennetaan nykyisen vastaanottimen läheisyyteen. Vastaanottimet yhdistetään toisiinsa optisella kuitukaapelilla, joka mahdollistaa tiedonsiirron vastaanottimien ja tiedonkeruuyksikön (receiver cabinet) välillä.
Jatkossa laitetta käytetään tutkimus ja kehitys tarkoituksessa. Laitteen avulla voidaan tutkia eri polttoaineiden poltosta syntyviä alkaliklorideja sekä eri lisäaineiden vaikutusta alkalikloridien syntyyn. Nyt voimme Savonialla tuottaa energiasektorin yrityksille entistä laajempaa ja tarkempaa tietoa kuumakorroosiota joudattavien komponenttien synnystä, vaikutuksesta ja niiden ehkäisystä.
Kirjoittaja:
Mikko Kastinen, Tutkimusinsinööri, Savonia-Ammattikorkeakoulu
Lähteet:
Uusi tutkimushanke edistää kestävää energiantuotantoa Pohjois-Savossa. Verkkaineisto. Savonia.
Turvatuotanto. Verkkoaineisto. Ympäristöhallinnon verkkopalvelu.
ChlorOut – reducing corrosion, fouling and emissions in bio-fired power plants. Verkkoaineisto. Vattenfall.
Markus Broström, Håkan Kassman, Anna Helgenson, Magnus Berg, Christen Andersson, Rainer Backman, Andres Nordin. 2007. Sulfation of corrosive alkali chlorides by ammonium sulfate in a biomass fired CFB boiler. Fuel Processing Technology. Volume 88, Issues 11–12, 1171-1177. https://doi.org/10.1016/j.fuproc.2007.06.023
Håkan Kassman, Markus Broström, Magnus Berg, Lars-Erik Åmand. 2010. Measures to reduce chlorine in deposits: Application in a large-scale circulating fluidised bed boiler firing biomass. FUEL, Volume 90, Issue 4, 1325 -1334. https://doi.org/10.1016/j.fuel.2010.12.005
